打印
2*20t/h锅炉脱硝改造工程
文章出处:本站 人气:283 发表时间:2019-06-14
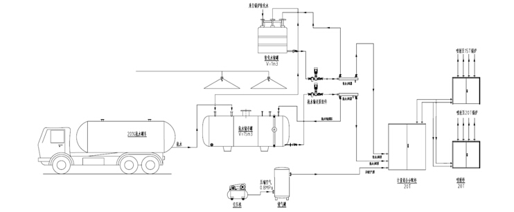
东莞明海整染厂有限公司2*20t/h锅炉脱硝改造工程
1)脱硝系统设计基本参数及标准
锅炉数量:2台
锅炉最大连续蒸汽量:2×20t/h
设计处理烟气量:2×5000m3/h
使用燃料:煤
炉膛出口烟气温度范围:800-1000℃
氮氧化物初始浓度(以NO2浓度计):200mg/ Nm3
氮氧化物排放标准: ≦100mg/Nm3
氨逃逸浓度:<8PPM
设计脱硝效率: ≥50%
脱硝工艺形式:采用SNCR工艺
允许选用的还原剂:氨水
SNCR系统可用率:>98%
SNCR系统整体使用寿命:15年
1)脱硝系统设计基本参数及标准
锅炉数量:2台
锅炉最大连续蒸汽量:2×20t/h
设计处理烟气量:2×5000m3/h
使用燃料:煤
炉膛出口烟气温度范围:800-1000℃
氮氧化物初始浓度(以NO2浓度计):200mg/ Nm3
氮氧化物排放标准: ≦100mg/Nm3
氨逃逸浓度:<8PPM
设计脱硝效率: ≥50%
脱硝工艺形式:采用SNCR工艺
允许选用的还原剂:氨水
SNCR系统可用率:>98%
SNCR系统整体使用寿命:15年
上一篇:? 针对农村生活污水治理难题把把脉
下一篇:焙烧窑炉烟气脱硝工程
同类文章排行
- 东莞市众创工程塑料有限公司公司新建调试公示
- 东莞市溢艺铝塑制品有限公司(新建、扩建)竣工公
- 东莞市新盈塑胶制品有限公司(新建)竣工公示
- 时和利造纸扩建项目一期工程验收公示
- 广东知塑新材料有限公司(新建)调试公示
- 东莞市富润包装制品有限公司新建调试公示
- 东莞市帝谷自动化科技有限公司新建竣工公示
- 东莞市大朗利沃包装材料加工店新建调试公示
- 东莞市弘拓金属饰品有限公司新建竣工公示
- 时和利造纸扩建项目一期工程竣工公示
- 宝盈智能家具(新建一期 )项目竣工验收公示
- 东莞市谢岗汇安五金工艺品厂(新建)项目调试公示
